Earth’s most common mineral finally gets a name
Bridgmanite, long sought, now found — in an 1879 meteorite

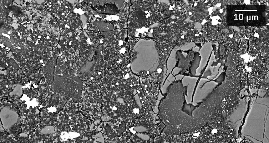
Part of this sample of a meteorite that crashed into Australia 135 years ago contains bridgmanite. This newly named material also is the most common mineral on Earth.
O. Tschauner et al/Science 2014
Share this:
- Share via email (Opens in new window) Email
- Click to share on Facebook (Opens in new window) Facebook
- Click to share on X (Opens in new window) X
- Click to share on Pinterest (Opens in new window) Pinterest
- Click to share on Reddit (Opens in new window) Reddit
- Share to Google Classroom (Opens in new window) Google Classroom
- Click to print (Opens in new window) Print
A rock that fell from space 135 years ago has just helped scientists finally name Earth’s most common mineral. It’s being called bridgmanite
A very dense form of magnesium iron silicate, this mineral makes up about 38 percent of Earth’s volume. Its name honors the late Percy Bridgman. He won a Nobel Prize in 1946 for his study of the physics of materials at very high pressures.
Bridgmanite may be common but it has remained out of the reach of scientists. The reason: This mineral forms at the high pressures found at depths of 660 to 2,900 kilometers (410 to 1,802 miles) beneath Earth’s surface. Samples could never survive the long trip up.
Scientists had known for decades that the mineral exists. It made itself known by the way it altered earthquake vibrations as they traveled through Earth’s interior. Yet without a natural sample to hold and to study, experts could not give it an official name.
Mineralogist Oliver Tschauner works at the University of Nevada, Las Vegas. His research team now reports finding bridgmanite inside a meteorite. The space rock slammed into a remote part of Queensland, Australia, in 1879. The powerful impact created tremendously high temperatures and pressures. The same conditions exist deep inside Earth, where bridgmanite forms. The researchers report details of their observations in the November 28 Science.
The newfound bridgmanite should help scientists better understand how mass and heat flow within Earth’s mantle. That’s the rocky layer surrounding our planet’s core.
Power Words
core (in geology) Earth’s innermost layer.
mantle (in geology) The thick layer of the Earth beneath its outer crust. The mantle is semi-solid and generally divided into an upper and lower mantle.
mass A number that shows how much an object resists speeding up and slowing down — basically a measure of how much matter that object is made from.
meteor A lump of rock or metal from space that hits the atmosphere of Earth. In space it is known as a meteoroid. When you see it in the sky it is a meteor. And when it hits the ground it is called a meteorite.
mineral The crystal-forming substances, such as quartz, apatite, or various carbonates, that make up rock. Most rocks contain several different minerals mish-mashed together. A mineral usually is solid and stable at room temperatures and has a specific formula, or recipe (with atoms occurring in certain proportions) and a specific crystalline structure (meaning that its atoms are organized in certain regular three-dimensional patterns). (in physiology) The same chemicals that are needed by the body to make and feed tissues to maintain health.
silicate A mineral containing silicon atoms and usually oxygen atoms. The majority of Earth’s crust is made of silicate minerals.